Модулятор СВЧ магнетрона на транзисторах
Характеристики
Контакты
—
Визирь Вадим Алексеевич
ведущий научный сотрудник, кандидат технических наук
тел.: (3822) 49-26-73, факс: (3822) 49-27-51
E-mail: av.vizir@hcei.ru
ведущий научный сотрудник, кандидат технических наук
тел.: (3822) 49-26-73, факс: (3822) 49-27-51
E-mail: av.vizir@hcei.ru
Модулятор СВЧ магнетрона на транзисторах
#PROP_TITLE#
—
#PROP_VALUE#
Назначение
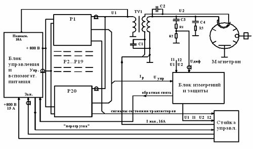
Данный модулятор предназначен для питания СВЧ магнетрона с выходной импульсной мощностью излучения 3 МВт. В модуляторе используются 100 параллельно включенных IGBT транзисторов, коммутирующих свои конденсаторы на первичную обмотку импульсного трансформатора.
Параметры модулятора
- Выходная импульсная мощность - 5 МВт
- Амплитуда импульса первичного напряжения - 850 В, ток - 6600 А
- Амплитуда импульса вторичного напряжения - 50 кВ, ток - 100 А
- Длительность импульса - от 0,6 до 6 мкс
- Длительность фронта - не более 0,5 мкс
- Частота - 200 Гц (при длительности импульса. 6 мкс), до 2 кГц (при длительности импульса. 0,6 мкс)

Блок-схема генератора

Рис.1. Импульсы напряжения и тока модулятора на активной нагрузке 500 Ом.
1 - Напряжение - 14 кВ/дел,2 - Ток - 35 А/дел, Время - 1 мкс/дел

Рис.2. Импульсы напряжения магнетрона и излучения
1 - Напряжение - 14 кВ/дел, 2 - Импульс излучения, Время - 1 мкс/дел
Проекты
Сотрудники
Телефон
E-mail

